Компрессор HPE 0,85 кВт, 145 м³/ч, 1½", 380V

Артикул 1769605350
86 956 

Описание

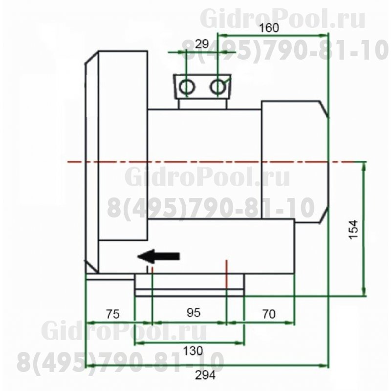
Airtech/HPE одноступенчатый центробежный компрессор с электро приводом и горизонтальным расположением вала, предназначается для перекачки воздуха в аэромассажных системах бассейнов и аквапарков. Создает эффект аэромассажа, турбомассажа, искусственный гейзер. Электродвигатель компрессора оснащён вентилятором для охлаждения в случае перегрева. Отличается низким уровнем шума, работает по безмасляной технологии, а значит является экологически безопасным. Технические характеристики: Напряжение питания: 380 В Потребляемый ток: 2.4 А Производительность: 145 м3/час Число оборотов двигателя: 2870 об/мин Поток максимальный: 145 м3/час Мощность насоса: 1 л.с Мощность компрессора: 0.85 кВт Материал: алюминий Диаметр подключения: 1 1/2" Тип подключения (подсоединения): ВР Класс защиты: IP55 Класс изоляции: F

Характеристики

Тип:
Компрессор
Производитель:
Airtech Europe - HPE
Модель:
Компрессор HPE 0,85 кВт, 145 м³/ч, 1½", 380V
Монтаж:
Универсал
Особенности:

Похожие товары