Тройник 90 ПВХ 1,0 МПа d _200мм

Артикул 1770375947
9 067 

Описание

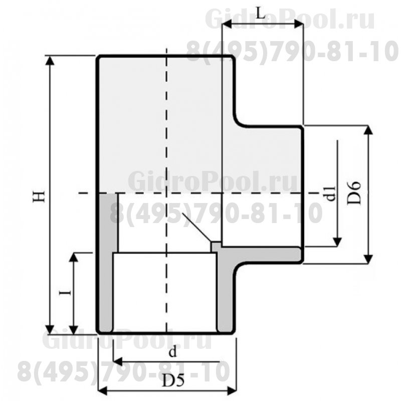
Трубы, арматура и фитинг выполнены из непластифицированного поливинилхлорида (НПВХ), предназначены для питьевого водоснабжения при температуре от 0° до 45°С, в том числе для транспортировки других жидких и газообразных веществ, к которым стоек ПВХ. Длина труб 3 метра, с раструбом на одном конце. Максимальное рабочее давление фитинга 1,0 МПа или 1,6 МПа, давление труб и арматуры указано в таблице. Срок службы при номинальном давлении и температуре 20°С – 50 лет. Тройник 90° предназначен для трубы Ø 200 мм. Номинальное давление PN-10.

Характеристики

Основные

Тип:
тройник
Производитель:
ERA
Модель:
Тройник 90 ПВХ 1,0 МПа d _200мм
Страна производитель:
КНР
Материал:
нет
Резьба:
нет

Размеры

Диаметр, D, мм:
200

Похожие товары