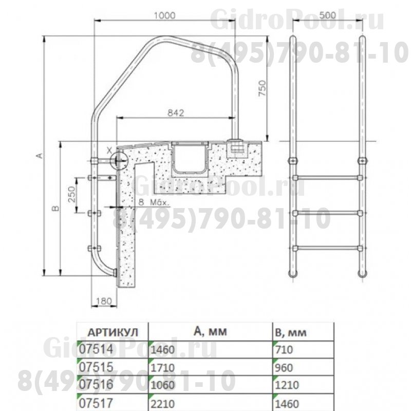
Лестница "1000" 3 ступени+1 предохран.ступень(ступени люкс+ анкер) AISI-316

Артикул 1770143048
140 017.96 

Описание

Ширина лестницы 500 мм. Поручни изготовлены из нержавеющей стали диаметром 43 мм. Поставляется с анкерными креплениями и заземлением. Выполнена в соответствии со стандартами EN 13451-1 и EN 13451-2. Поручни и нескользящие ступеньки из нержавеющей стали AISI-316.

Характеристики

Тип:
Лестница
Производитель:
AstralPool
Модель:
Лестница "1000" 3 ступени+1 предохран.ступень(ступени люкс+ анкер) AISI-316
Особенности:

Похожие товары